ที่อยู่:
No.233-3 Yangchenghu Road, สวนอุตสาหกรรม Xixiashu, เขต Xinbei, เมืองฉางโจว, มณฑลเจียงซู
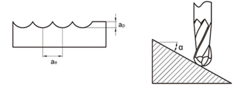
• การออกแบบใบมีดสั้นช่วยเพิ่มความต้านทานการสึกหรอของเครื่องมือได้อย่างมาก และช่วยให้ได้คุณภาพพื้นผิวของชิ้นงานที่สูงขึ้น
• ส่วนใหญ่จะใช้สำหรับการประมวลผลวัสดุเหล็กชุบแข็ง HRC45~70 โดยเฉพาะอย่างยิ่งสำหรับชิ้นส่วนแม่พิมพ์ที่มีความแม่นยำซึ่งต้องใช้การประมวลผลในระยะยาว
| ไม่ | เส้นผ่านศูนย์กลาง ดี | อาร์ แองเกิล ร | ความยาวขลุ่ย ลค | ความยาวโดยรวม ล | ก้าน Diก ง | จำนวนใบมีด เอฟ |
| NNCH-2B-D1-L2 | 1 | 0.5 | 2 | 50 | 4 | 2 |
| NNCH-2B-D1.5-L3 | 1.5 | 0.75 | 3 | 50 | 4 | 2 |
| NNCH-2B-D1.5-L3 | 1.5 | 0.75 | 3 | 50 | 6 | 2 |
| เอ็นซีเอช-2B-D2-L4 | 2 | 1 | 4 | 50 | 4 | 2 |
| เอ็นซีเอช-2B-D2-L4 | 2 | 1 | 4 | 50 | 6 | 2 |
| NNCH-2B-D2.5-L5 | 2.5 | 1.25 | 5 | 50 | 4 | 2 |
| NNCH-2B-D2.5-L5 | 2.5 | 1.25 | 5 | 50 | 6 | 2 |
| NNCH-2B-D3-L6 | 3 | 1.5 | 6 | 50 | 4 | 2 |
| NNCH-2B-D3-L6 | 3 | 1.5 | 6 | 50 | 6 | 2 |
| NNCH-2B-D3.5-L7 | 3.5 | 1.75 | 7 | 50 | 4 | 2 |
| NNCH-2B-D3.5-L7 | 3.5 | 1.75 | 7 | 50 | 6 | 2 |
| นนช์-2B-D4-L8 | 4 | 2 | 8 | 50 | 4 | 2 |
| นนช์-2B-D4-L8 | 4 | 2 | 8 | 50 | 6 | 2 |
| นนช์-2B-D5-L9 | 5 | 2.5 | 9 | 50 | 6 | 2 |
| นนช์-2B-D6-L9 | 6 | 3 | 9 | 50 | 6 | 2 |
| นนช์-2B-D8-L12 | 8 | 4 | 12 | 60 | 8 | 2 |
| นนช์-2B-D10-L15 | 10 | 5 | 15 | 75 | 10 | 2 |
| นนช์-2B-D12-L18 | 12 | 6 | 18 | 75 | 12 | 2 |
| นนช์-2B-D4-L8 | 4 | 2 | 8 | 75 | 4 | 2 |
| นนช์-2B-D4-L8 | 4 | 2 | 8 | 75 | 6 | 2 |
| นนช์-2B-D6-L9 | 6 | 3 | 9 | 75 | 6 | 2 |
| นนช์-2B-D8-L12 | 8 | 4 | 12 | 75 | 8 | 2 |
| นนช์-2B-D6-L9 | 6 | 3 | 9 | 100 | 6 | 2 |
| นนช์-2B-D8-L12 | 8 | 4 | 12 | 100 | 8 | 2 |
| นนช์-2B-D10-L15 | 10 | 5 | 15 | 100 | 10 | 2 |
| นนช์-2B-D12-L18 | 12 | 6 | 18 | 100 | 12 | 2 |
| วัสดุแปรรูป | เหล็กชุบแข็งล่วงหน้า 40~50HRC | เหล็กชุบแข็ง 50~60HRC | เหล็กชุบแข็ง 60~68HRC | |||||||||
| รัศมีหัวบอล (มม.) | ความเร็วในการหมุน (นาที -1 ) | ความเร็วในการป้อน (มม./นาที) | ก พี (มม.) | ก จ (มม.) | ความเร็วในการหมุน (นาที -1 ) | ความเร็วในการป้อน (มม./นาที) | ก พี (มม.) | ก จ (มม.) | ความเร็วในการหมุน (นาที -1 ) | ความเร็วในการป้อน (มม./นาที) | ก พี (มม.) | ก จ (มม.) |
| R0.5 | 40000 | 1900 | 0.01 | 0.05 | 36000 | 1500 | 0.01 | 0.05 | 32000 | 1400 | 0.01 | 0.05 |
| R1.0 | 33000 | 3100 | 0.02 | 0.075 | 26000 | 2100 | 0.02 | 0.075 | 24000 | 2000 | 0.02 | 0.075 |
| R1.5 | 29000 | 4100 | 0.03 | 0.1 | 23000 | 2900 | 0.03 | 0.1 | 21000 | 2600 | 0.03 | 0.1 |
| อาร์2.0 | 22000 | 3900 | 0.04 | 0.15 | 17000 | 2500 | 0.04 | 0.15 | 15500 | 2100 | 0.04 | 0.15 |
| อาร์2.5 | 17500 | 3500 | 0.05 | 0.15 | 13500 | 2200 | 0.05 | 0.15 | 13000 | 2000 | 0.05 | 0.15 |
| R3.0 | 15000 | 3100 | 0.06 | 0.2 | 11500 | 1700 | 0.06 | 0.2 | 10500 | 1500 | 0.06 | 0.2 |
| R4.0 | 11000 | 2500 | 0.08 | 0.25 | 8600 | 1600 | 0.08 | 0.25 | 8000 | 1400 | 0.08 | 0.25 |
| R5.0 | 9000 | 2000 | 0.1 | 0.3 | 7000 | 1400 | 0.1 | 0.3 | 6000 | 1200 | 0.1 | 0.3 |
| R6.0 | 7500 | 1800 | 0.1 | 0.35 | 5700 | 1300 | 0.1 | 0.35 | 5300 | 1200 | 0.1 | 0.35 |
| R8.0 | 5500 | 1800 | 0.1 | 0.4 | 4300 | 1300 | 0.1 | 0.4 | 4000 | 1200 | 0.1 | 0.4 |
| ฿10.0 | 4500 | 1800 | 0.1 | 0.5 | 3500 | 1300 | 0.1 | 0.5 | 3200 | 1200 | 0.1 | 0.5 |
| ความลึกของการตัดสูงสุด | | |||||||||||
1. โปรดใช้อุปกรณ์และอุปกรณ์ติดตั้งที่มีความแม่นยำสูงและมีความแข็งแกร่งสูง
2. เมื่อความแข็งแกร่งของเครื่องมือกลและการติดตั้งชิ้นงานไม่ดี อาจเกิดการสั่นสะเทือนและเสียงที่ผิดปกติได้ ในกรณีนี้ ความเร็วและอัตราการป้อนในตารางด้านบนควรลดลงเมื่อเทียบเป็นรายปี
3. กรุณาใช้ระบบระบายความร้อนด้วยอากาศหรือ MQL (ปริมาณการระบายความร้อนด้วยละอองน้ำมันขั้นต่ำ)
4. ขอแนะนำให้ใช้การกัดตามลำดับสำหรับการกัดข้าง
5. ลดความยาวระบบกันสะเทือนของเครื่องมือให้เหลือน้อยที่สุดโดยไม่มีการรบกวน
| ชุดเครื่องมือ | เส้นผ่านศูนย์กลาง | รัศมี | รัศมีมุม | ความยาวขลุ่ย | ความยาวที่มีประสิทธิภาพ | ความยาวโดยรวม | ก้าน ดีia | |||
| D | ร | CR | ลค | ล1 | L | ง | ||||
| ดอกกัดเอ็นมิลคาร์ไบด์ NNCH แบบแข็งพิเศษและมีความแม่นยำสูง | D0.1~D0.9 | 0 -0.005 | ร0.05~R2 | /-0.005 | CR0.05~CR0.5 | /-0.005 | 0 0.3 | 0 0.3 | 0.5 -0.5 | h5 |
| D1~D3.5 | 0 -0.005 | |||||||||
| D4~D10 | -0.003 -0.015 | ร3~R5 | /-0.005 | CR1.0~CR3.0 | /-0.008 | 0 0.5 | 0 0.5 | |||
| D12~D20 | -0.003 -0.018 | ร6~R10 | /-0.008 | |||||||
ดอกเอ็นมิลล์บอลโนส 2 ฟันแข็งพิเศษ NNCH-2B มีจำหน่ายหลายขนาด ตั้งแต่เส้นผ่านศูนย์กลาง 1 มม. ถึง 12 มม. และสามารถจับคู่กับความยาวใบมีดและความยาวเต็มได้หลากหลาย ตามความต้องการที่แตกต่างกัน เพื่อตอบสนองความต้องการด้านความยืดหยุ่นของการตัดเฉือนที่แม่นยำ ตัวเลือกข้อมูลจำเพาะและรุ่นที่แตกต่างกันฟรีทำให้เหมาะสำหรับสถานการณ์การตัดเฉือนที่หลากหลาย ทำให้มั่นใจในความสามารถในการปรับตัวที่สูงขึ้นในงานตัดเฉือนที่มีความแม่นยำ
การออกแบบรูปทรงปลายมนช่วยปรับมุมตัดของเครื่องมือให้เหมาะสม ทำให้เหนือกว่าในการตัดเฉือนพื้นผิวที่ซับซ้อน เหมาะอย่างยิ่งสำหรับการผลิตแม่พิมพ์ การตัดเฉือนชิ้นส่วนที่มีความแม่นยำ และฉากอื่น ๆ ที่ต้องการการตกแต่งสูงและความแม่นยำสูง การออกแบบมุมเกลียว 30° ช่วยลดความต้านทานการตัดและปรับปรุงประสิทธิภาพการขจัดเศษ ซึ่งจะช่วยปรับปรุงความเสถียรของการตัดเฉือนและอายุการใช้งานของเครื่องมือ
หัวกัดทำจากวัสดุคาร์ไบด์อนุภาคขนาดเล็กพิเศษ รวมกับกระบวนการเคลือบที่มีความแม่นยำสูง ซึ่งช่วยเพิ่มความต้านทานการสึกหรอและประสิทธิภาพการป้องกันการกะเทาะได้อย่างมาก ความแข็งโดยรวมสามารถเข้าถึงHRC≤65 ทำให้มั่นใจได้ถึงความคมและความมั่นคงที่ยอดเยี่ยมเมื่อตัดเฉือนวัสดุที่มีความแข็งสูง
ผลิตภัณฑ์นี้เหมาะสำหรับวัสดุแปรรูปหลากหลายประเภท รวมถึงเหล็กกล้าคาร์บอน โลหะผสมเหล็ก เหล็กชุบแข็งก่อนแข็ง (HRC35-45) เหล็กชุบแข็ง (HRC45-65) เหล็กอบร้อนความแข็งสูง ฯลฯ ไม่ว่าจะเป็นการแปรรูปแม่พิมพ์ที่มีความแม่นยำสูงหรือการตัดวัสดุแข็งอย่างมีประสิทธิภาพ ดอกเอ็นมิลหัวบอลสองคมตัด NNCH-2B สามารถให้ประสิทธิภาพที่ยอดเยี่ยม
การจัดตั้งองค์กร
พนักงาน

Changzhou Maton Tools Co.,Ltd. is located in the economically developed Yangtze River Delta region.The factory is located in XixiashuHigh-tech Development Zone,a well-known tool town in China. We are ดอกเอ็นมิลล์บอลโนส 2 ฟลุตฮาร์ดพิเศษ Manufacturers.
Magotantools take the ISO9001 quality system as the standard,under the guidanceof the business philosophy of"zero defect in products"and"zero distance in service",based on the spirit of"integrity","unity"and"exploita- tion",and follow a fair and just company style for management.Product production adopts five-axisand six-axis CNC grinding and machining centers from Germany,Switzerland,Japan,etc.,and is equipped with high-precision testing equipment such as Germany,Japan,and China,so as to meet the needs of production with high quality and quantity.
The company continuously develops various high-performance CNC tools, and has won various national awards. Professional ดอกเอ็นมิลล์บอลโนส 2 ฟลุตฮาร์ดพิเศษ Company. More than 10 patents,the company's products are mainly used in the defense industry, aerospace industry,automotive industry,electronic products and molds and other fields.
The company's various products are recognized and favored by well-known domestic companies.With infinite technology,infinite creation,and pursuit of excellence,Magotan tools will write future prosperity and dreams with more extraordinary confidence and high-quality quality.
เราจะตอบกลับคุณภายใน 12 ชั่วโมงหลังจากได้รับการสอบถามในวันธรรมดา
เราเป็นผู้ผลิต เราผลิตและจำหน่ายเอง
We mainly produce tungsten steel milling cutters, drill bits and other hard alloy tools. Professional ดอกเอ็นมิลล์บอลโนส 2 ฟลุตฮาร์ดพิเศษ Manufacturers.
ผลิตภัณฑ์ของเราครอบคลุมเกือบทุกอุตสาหกรรมแม่พิมพ์ อุตสาหกรรมการป้องกันประเทศ อุตสาหกรรมการบินและอวกาศ อุตสาหกรรมยานยนต์ ผลิตภัณฑ์อิเล็กทรอนิกส์ และสาขาอื่นๆ
Yes, our main focus is on customized products. We develop and produce products based on the drawings or samples provided by customers. Custom ดอกเอ็นมิลล์บอลโนส 2 ฟลุตฮาร์ดพิเศษ.
We have over 30 units of WALTER from Germany, Makino from Japan, ROLLMATIC from Switzerland, and TTB from Switzerland, with an annual output value of 80 million RMB. We are ดอกเอ็นมิลล์บอลโนส 2 ฟลุตฮาร์ดพิเศษ Company
ประการแรก หลังจากแต่ละกระบวนการ เราจะดำเนินการตรวจสอบที่เกี่ยวข้อง สำหรับผลิตภัณฑ์ขั้นสุดท้าย เราจะดำเนินการตรวจสอบอย่างเต็มรูปแบบ 100% ตามความต้องการของลูกค้าและมาตรฐานสากล
จากนั้น เรามีอุปกรณ์การทดสอบขั้นสูงและสมบูรณ์แบบระดับแนวหน้าในอุตสาหกรรม เช่น เครื่องวิเคราะห์สเปกตรัม กล้องจุลทรรศน์โลหะวิทยา ฯลฯ ซึ่งสามารถรับประกันความเสถียรและความสม่ำเสมอของเครื่องมือตัด ในขณะเดียวกันก็ตอบสนองข้อกำหนดในการทดสอบเครื่องมือตัดที่มีความแม่นยำสูงของลูกค้า
เมื่อเสนอราคา เราจะยืนยันวิธีการทำธุรกรรม FOB, CIF, CNF หรือตัวเลือกอื่น ๆ กับคุณ เมื่อผลิตจำนวนมาก เรามักจะชำระเงินล่วงหน้า 30% ก่อน จากนั้นจึงชำระยอดคงเหลือเมื่อนำเสนอใบตราส่ง ส่วนใหญ่เราใช้ T/T เป็นวิธีการชำระเงิน แต่ L/C ก็เป็นที่ยอมรับเช่นกัน